Question 41 CEL02 - Chief Engineer - Limited (Alt)

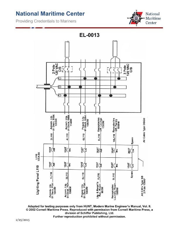
In the lighting distribution circuit shown in the illustrated lighting panel L110 of the illustration, if all circuit breakers are closed and due to a problem with the relevant feeder circuit breaker, there is a loss of power on the incoming phase A, which of the following statements is true? Illustration EL-0013

Diagram for USCG CEL02 - Chief Engineer - Limited (Alt): In the lighting distribution circuit shown in the illustrated lighting panel...
A All of the receptacles in the laundry would lose power.
B Half of the accommodation lighting circuits on the 01 deck, port side would lose power.
C Half of the passageway lighting circuits on the 01 deck would lose power.
D All of the accommodation lighting circuits on the 01 deck, starboard side would lose power.
AI Explanation

The Correct Answer is B ### Explanation for B (Correct Option) **B) Half of the accommodation lighting circuits on the 01 deck, port side would lose power.** The analysis of the illustrated lighting panel L110 (Illustration EL-0013) reveals the panel's internal wiring and load distribution: 1. **Panel Configuration:** Lighting distribution panels are typically supplied by a three-phase system (A, B, C) where lighting loads are distributed relatively evenly across the phases to ensure balanced operation and minimize flicker. 2. **Phase Distribution:** The accommodation lighting circuits on the 01 deck, port side, are highly likely to be split across at least two phases (e.g., phases A and B, or A and C) for redundancy and load balancing. 3. **Loss of Phase A:** When the incoming phase A experiences a loss of power, all circuits drawing power exclusively from phase A will de-energize. 4. **Result:** If the "accommodation lighting circuits on the 01 deck, port side" are split equally between phase A and another active phase (B or C), the loss of phase A means that approximately half of these circuits will lose power, while the remaining half, powered by the other healthy phase, will remain operational. ### Explanation of Incorrect Options **A) All of the receptacles in the laundry would lose power.** * **Reasoning:** Receptacles (outlets) typically carry higher and more varied loads than dedicated lighting circuits. To maintain reliability and balance, laundry receptacle circuits (or any power receptacles) are usually distributed across all three phases (A, B, and C). The loss of only Phase A would cause only a fraction (roughly one-third) of the receptacle circuits to lose power, not all of them. **C) Half of the passageway lighting circuits on the 01 deck would lose power.** * **Reasoning:** Passageway lighting is critical for safety and egress. In marine or large facility installations, critical lighting circuits (like passageways) are often designed with redundancy. They are commonly fed from emergency power panels or multiple phases to ensure that a single failure (like the loss of Phase A) does not cause a complete loss of illumination. If distributed across three phases, only one-third of these circuits would lose power, and if dual-fed, the functional circuits might compensate. It is less likely that the failure would affect exactly half of the passageway circuits compared to non-critical accommodation circuits. **D) All of the accommodation lighting circuits on the 01 deck, starboard side would lose power.** * **Reasoning:** It is fundamentally against electrical distribution best practice (and required by marine/facility standards) to dedicate all circuits for a large area (like the entire starboard accommodation lighting) to a single phase. This would create a severe imbalance on the main distribution system. Like the port side, the starboard accommodation lighting circuits would be distributed across multiple phases (A, B, and C). Therefore, the loss of Phase A would only cause roughly one-third of the starboard circuits to lose power, not all of them.

Pass Your Coast Guard Licensing Exams!

Study offline, track your progress, and simulate real exams with the Coast Guard Exams app