Question 352Steam Plants - 1st Asst/Chief
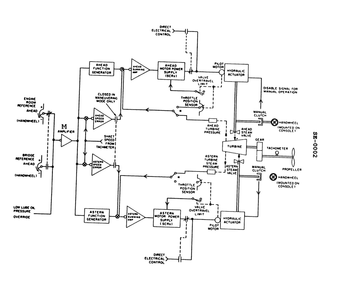
70% to passIn the illustration, the function generators will accept only a signal of a given polarity and the amplifier "M" inverts the polarity of the signal. If negative is used for the ahead and positive for the astern reference potentiometers, moving the bridge reference potentiometer in the direction indicated will have what effect while the system is operating in the mode selected for in the illustration? Illustration SE-0002

The correct answer is B) No signal will be processed because the engine room is currently selected to have control. In the given illustration, the function generators are designed to accept only a signal of a given polarity. The amplifier "M" inverts the polarity of the signal. If the ahead reference potentiometer uses a negative signal and the astern reference potentiometer uses a positive signal, moving the bridge reference potentiometer in the indicated direction would result in a signal that is not compatible with the function generators. Since the system is operating in the mode selected for in the illustration, the engine room is currently in control. Therefore, no signal from the bridge reference potentiometer will be processed, as the engine room has the control authority in this mode of operation.
Ready to test your knowledge?
Take a Steam Plants - 1st Asst/Chief Practice ExamWant to practice with timed exams?
Download Coast Guard Exams for the full exam experience.
Get the App